option
-
愉悅指數-寒冰烈火掌(4/4)跑得快是性能車的必要條件,至於跑得爽不爽快則是消費者會不會買單的關鍵,就算是有一定日常實用性需求的旅行車也是如此,S4 Avant和C43 Estate誰的爽感更高,只要看表情就知道啦!
-
AC Schnitzer 30週年慶,推出ACL2S M240i限量版!為了歡慶成立30週年,AC Schnitzer推出 ACL2S M240i,是繼承在紐伯林賽道拿下7分29.44秒的ACL2 M235i,且只打造30台,相信鐵粉們會立馬下訂單。
為了實行ACL2S的計劃,透過ECU程式改寫和進排氣系統的調校
-
有開過馬力600++匹的敞篷車嗎?Brabus 650 Cabrio能載你兜一下開敞篷車的用意就是能吹吹風邊賞風景,但Brabus就是要Mercedes-AMG C63 S敞篷車變成超跑,不知乘坐這台650hp敞篷車兜起風來感
-
玩老車好像不錯喔!?限量版的更是直接漲10倍目前在美國老Z的人氣居高不下,其中全世界「限量400台的Z432」,更在RM拍賣網上登錄出售,起標價格約台幣570萬元,而最買家則是以「台幣576萬元得標」,順道一提,Z432新車價僅約台幣54.6萬
-
車殼保留其餘大改啦!!頭文字D米國版2017年3月28日在Rockstar官網上出現了一則Rockstar D的影片,影片更是直模仿頭文字D開頭片段,雖然都是用上Toyota車款,不過這輛由Rockstar打在的「Corolla iM」,其實就是一台1.8升自然進氣引擎
-
未來加油站會不見嗎?能源替換的大轉變時有耳聞,石油即將枯竭,以及開採石油所帶來的環境破壞,因此近十年來陸續發展出「綠色能源」的概念,以再生能源轉換為電來驅動汽車或其他交通工具。而崛起的電動車會讓石油公司關門
-
-
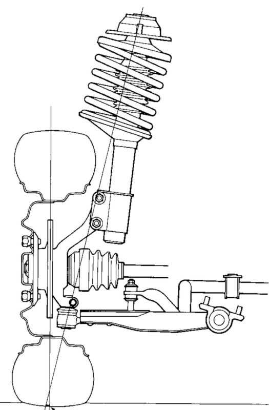
作動中的懸吊如何影響表現前面已有提到,懸吊的構造差異會影響操控性和舒適性,而作動方式關乎到車輛在行進中的表現。構造簡單的麥花臣,避震器是銜接轉向節和車架,在過彎時會連同避震器轉向,看似簡單的動作,一旦在過彎
-
90年代的雙A臂輝煌時期進入90年代,很多日系的性能車採用雙A臂懸吊,主要原因在於結構的高剛性和能有效的處理過彎時帶來的負載。比麥花臣較多的連桿設計,可以很輕易調校懸吊的運動方向,來優化車輪的動態。早期F1也採
-
-
採用雙A臂懸吊的80年代日系車80年代本田首次採用雙A臂懸吊的是Prelude第二代,不僅打造出前驅性能車的封號,頭燈採納啟閉式的跑格,連雨刷也大膽用單臂設計,受當時年輕人的喜愛。改款到最後,引擎搭載直四DOHC的噴
-
麥花臣懸吊v.s雙A臂懸吊,車輛必備的「功底」早期曾發明過三輪汽車,但很難抵抗側向風,方向操控力的也不穩定,加上車內空間不夠寬,所以四輪汽車成為現代汽車的主流。就從幾何學來看,任意三點就能建立起平面,而四個點就不一定了。三支腳的椅子在
-
新車只要 63 萬日圓! 可以乘坐 3 人的「最新三輪車」在日本首度創下快舉! 只要 150 日圓就能跑 100 公里,超級省錢...
-
每公升可跑約 30 公里!豐田全新「旅行車」引發熱烈討論! 不少人說「新車 235 萬日圓超划算!」、「油耗太省了,太驚人…」 ...
-
一輛新車只要310萬日圓!本田最新款「四人座運動車型」也推出了高性能「R」版本!這款動力強勁的四驅車型搭載了特別調校的“990cc引擎”,是...
-
睽違 7 年全面改款,豐田新一代「RAV4」全球首次亮相! 超過 300 匹馬力的「運動版」以及「GRS」也一併亮相! 全長約...
-
豐田新款「大型Yaris Cross」一公布就引起熱烈討論! 不少網友留言說「設計感像RAV4,好帥!」、「專屬設計真的很吸引人!」<...
-
Toyota 新「雙側滑門廂型車」發布引爆熱議!網友讚「行李空間超大、實用性很高」! 提供全長4.4m&4.7m兩種車身、舒適性與便利...
-
全新加裝超舒適「大型遮陽簾」! 每公升可跑 20 公里 的「新款 7 人座」頂級豪華 MPV 超厲害! 後座舒適度也達到「V...
-
新車只要 97 萬日圓! 三人座「迷你三輪車」實車展示! 全長僅 2.2 公尺,AT 限定駕照即可上路,免車檢! 超便利交...
-
Toyota 全新「小型四驅 SUV」正式亮相! 全長約 4.5 公尺的「方正硬派車身」,搭載 2.7 升「直列四缸」引擎! 被...
-
豐田全新「小型四驅 SUV」第一次亮相就引發超大迴響! 方正、剛好的「小方塊風」車身讓不少人直呼「真的好想買!」 另外也有不少人期待價...
FB一手車訊粉絲團
FB一改裝車訊粉絲團






