未分類
接軌國際賽事 安全防護升級 part2
2012.04.11 作者:OPTION

焊接式樣強度最佳
螺絲固定需九十度垂直
一般來說防滾籠的安裝組合是以焊接為最佳接點方式,如果若是因為要安裝在市售車上而需要分解,最好是分解點愈少愈好以維持應有強度,不過除了針對廠車所打造的焊接式防滾籠之外,一般熟知採用鎖螺絲的防滾籠FIA也有相關規定。
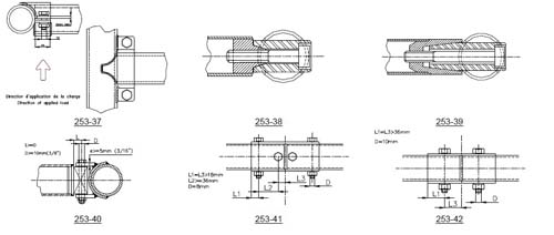
為了符合接著點強度要求,在FIA認證下所有管對管的接點套管必需要符合副管徑與強度,利用8mm螺絲與多點來固定,而螺絲固定的角度也必需各自兩兩成九十度垂直以確保其強度,假設消費者要選擇保障性的產品,最好儘量避免選擇只有單點螺絲固定接點的產品。(參考FIA 253.37~47)
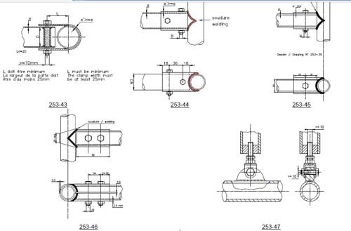
另外像是底座的固定方式FIA同樣也有採用鎖螺絲的對應規範,凡是防滾籠主體結構與車體連接處,首先需要先利用強化鋼板以補強並加大受力面積,不論接著面採用堆疊式雙層補強,甚至正反兩面補強都是平面操作的方法之一,但是若遇到彎角處或緊鄰垂直結構則需要先做出垂直角再進行鎖螺絲,如此一來以確保其強度。(參考FIA 253.50~58)然而以Option Cup目前所推廣的O.T.G.P.賽事中,除了強制要求六點式防滾籠,為了提高比賽過程的安全性目前同樣規劃2013年起參加爭先賽車輛須強制加裝Sidebar,畢竟要盡情享受緊張刺激的爭先賽過程之中,人身安全還是所有賽事大力推廣前最重要的基礎。
![]() |
| 若是需要進行周邊輔助強化則可利用1.0~1.5mm鋼板進行焊接,通常像是rollbar交叉結構點或與車體連接處均會見到此方式。 |
![]() |
![]() |
| 因應FIA最新的防滾籠規範,特別針對A柱增加新的rollbar以有效提高補強效能。 |
![]() |
![]() |
| 除了一體形式焊接的防滾籠結構,一般熟知採用鎖螺絲的防滾籠FIA也有相關規定。 |
![]() |
| 所有管對管的接點其套管不僅需符合副管徑與強度,還需利用8mm螺絲與多點來固定,而螺絲固定的角度也必需各自兩兩成九十度垂直以確保其強度。 |
![]() |
![]() |
| 凡是防滾籠主體結構與車體連接處遇到彎角處或緊鄰垂直結構則需要先做出垂直角再進行鎖螺絲,如此一來以確保其強度。(參考FIA 253.50~58) |
![]() |
| 利用強化鋼板以補強並加大受力面積,不論接著面採用堆疊式雙層補強,甚至正反兩面補強都是平面操作的方法之一 |
![]() |
![]() |
| FIA針對防滾籠強化所列舉的相關型式。 |
![]() |
![]() |
![]() |
![]() |
![]() |
-
訂單湧入的「3人座三輪車」實車現身! 新車售價88萬日圓、實用性超高的強大交通工具! 確定首次於「大阪車展」亮相的Taizo...
-
新車只要63萬元!可載3人的「創新三輪車」在日本首度登場! 100公里只花150日圓,CP值超高! 就算下雨也能騎的「VIVEL...
-
7年後復活!Nissan「全新Teana」超猛 全長4.9米的霸氣車身 × 「創新」車頭 × 紅色「NISSAN」字樣...
-
Suzuki「不用駕照的『迷你輕型貨卡』!?」引發熱烈討論! 「真的很想要」「很適合已繳回駕照的祖父母」等聲音湧現!單人乘坐超小型車身...
-
全新「3 排 7 人座」廂型車發表! 全長 4.7 公尺的「剛剛好尺寸」搭配「滑門」設計! 另有 5 人座與專屬特仕色的 Cit...
-
Suzuki「兩人可睡」的舒適輕型廂車超強! 全長3.4m等級「小小輕型 One-Box」變身「車中過夜專用車」!停車時也能使用「冷氣...
-
全新加裝超舒適「大型遮陽簾」! 每公升可跑 20 公里 的「新款 7 人座」頂級豪華 MPV 超厲害! 後座舒適度也達到「V...
-
日產「可睡4名成人」中型休旅車!全長4.7米“剛剛好尺寸”,全高展開可達3米——日常使用也便利的車中宿營「Serena P-SV」...
-
Toyota 全新「小型四驅 SUV」正式亮相! 全長約 4.5 公尺的「方正硬派車身」,搭載 2.7 升「直列四缸」引擎! 被...
-
只要97萬日圓就能載3人! 全長2.2公尺的「小型三輪車」訂單暴增! 免車檢又能用自動檔限定駕照駕駛的「NEO-ONE」,究竟是...
FB一手車訊粉絲團
FB一改裝車訊粉絲團




























